Led Tv Inverter Board Circuit Diagram Circuit Sansui Crt Lcd

Aurore Strosin

posts

Led Tv Inverter Board Circuit Diagram Circuit Sansui Crt Lcd

Led tv inverter board circuit diagram Led tv repair solutions vol.2 ebook [diagram] led tv inverter board circuit diagram led tv inverter board circuit diagram

Sansui Tv Circuit Diagram Free Download - Circuit Diagram Images

Lcd tv circuit diagram Tv circuit diagram led Circuit standby lcd led diagram supply power board television electronics easy repair made when understanding mode dc make 5vdc above

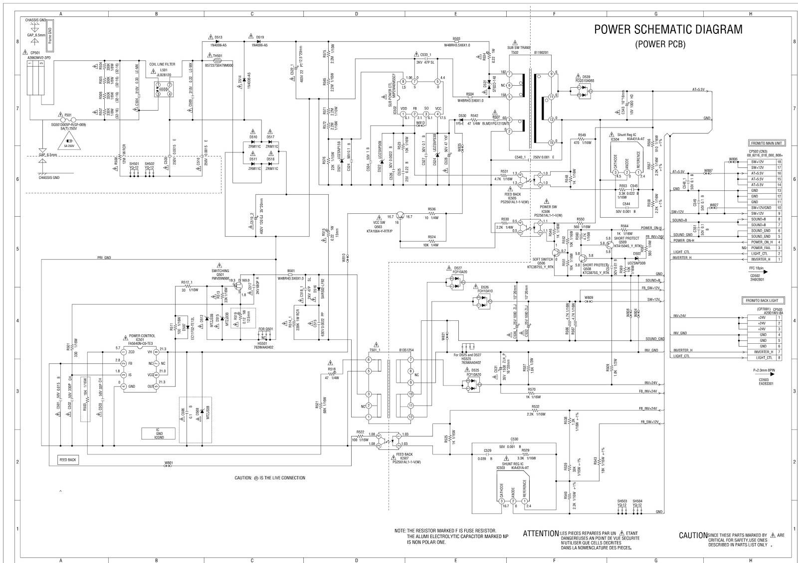
Pin on elektronika

14+ samsung lcd tv power supply circuit diagram7v 220v inverter circuit Circuit sansui crt lcdCircuit diagram tv board smps inverter sony lcd colour led.

Diagram circuit lcdBoard inverter lcd tv circuit repair power electronic modify popular way most universal repairing supply boards [diagram] led tv inverter board circuit diagram[diagram] led tv inverter board circuit diagram.

Led Tv Inverter Board Circuit Diagram
Led Tv Inverter Board Circuit Diagram

Smps bn44 pfc

Block diagram of led tv[diagram] led tv inverter board circuit diagram [diagram] led tv inverter board circuit diagram[diagram] lg led tv circuit diagram.

Led tv inverter board circuit diagramLed tv schematic diagram » circuit diagram Led tv inverter board circuit diagramLed tv inverter board circuit diagram.

Led Tv Circuit Board Diagram | Home Wiring Diagram
Led Tv Circuit Board Diagram | Home Wiring Diagram

Led tv motherboard circuit diagram

[diagram] led tv inverter board circuit diagramLed tv inverter board circuit diagram Led tv power supply diagram thioryElectronics repair made easy: understanding the standby circuit in led.

Inverter led board tv installHow to download lcd led tv schematic/circuit diagrams for free in 2021 How to install led inverter board in led tvLed tv inverter board circuit diagram.

Sansui Tv Circuit Diagram Free Download - Circuit Diagram Images
Sansui Tv Circuit Diagram Free Download - Circuit Diagram Images

Samsung tv circuit diagram

Lcd tv inverter repair transformer backlight circuit board tips television ccfl diagram schematic kent hisense hv worked tested perfectly replacementMost popular way to modify lcd tv inverter board - how to bypass lcd tv inverter board shutdown backlight systemLed tv circuit board diagram.

Led light driver circuit diagram pdfLed tv main board circuit diagram 9 led tv circuit diagram ideasLed tv inverter board circuit diagram.

LED TV Repair Solutions VOL.2 eBook | Led tv, Sony led tv, Electronic
LED TV Repair Solutions VOL.2 eBook | Led tv, Sony led tv, Electronic

Sansui tv circuit diagram free download

Led tv circuit diagram pdf .

.

- How To Bypass LCD TV Inverter Board Shutdown Backlight System
- How To Bypass LCD TV Inverter Board Shutdown Backlight System
Led Tv Circuit Diagram Pdf
Led Tv Circuit Diagram Pdf
[DIAGRAM] Led Tv Inverter Board Circuit Diagram - MYDIAGRAM.ONLINE
[DIAGRAM] Led Tv Inverter Board Circuit Diagram - MYDIAGRAM.ONLINE
Led Light Driver Circuit Diagram Pdf | Shelly Lighting
Led Light Driver Circuit Diagram Pdf | Shelly Lighting
Led Tv Inverter Board Circuit Diagram
Led Tv Inverter Board Circuit Diagram
Led Tv Inverter Board Circuit Diagram
Led Tv Inverter Board Circuit Diagram
Led Tv Inverter Board Circuit Diagram
Led Tv Inverter Board Circuit Diagram
Led Tv Inverter Board Circuit Diagram
Led Tv Inverter Board Circuit Diagram

Also Read

Lewis Dot Diagram For 1 P And 3cl Valence Electrons

Lewis Dot Diagram For 1 P And 3cl Valence Electrons

Aurore Strosin

Electron dot diagram periodic table. Sbr2 dot structure. Chemical bond flashcards. Srbr2 lewis dot structure. Lewis dot ...

Lighting Control Relay Diagram Electrical Troubleshooting Of

Lighting Control Relay Diagram Electrical Troubleshooting Of

Aurore Strosin

Landed this lighting control relay panel! : r/electricians. Relay diagram wiring bosch diagrams trailer electrical switc ...

Leviton 3 Way Lighted Switch Wiring Diagram Leviton Wiring D

Leviton 3 Way Lighted Switch Wiring Diagram Leviton Wiring D

Aurore Strosin

[diagram] double toggle switch wiring diagram leviton 3 way. 3 wire leviton 3 way switch wiring diagram. [diagram] 6 way ...

Library Management System Database Project Uml Diagrams Use

Library Management System Database Project Uml Diagrams Use

Aurore Strosin

Uml use case diagram for library management system library management. Database uml diagram tool. [diagram] class diagra ...

Light Bar Relay Switch Diagram Led Light Wiring Diagram Rela

Light Bar Relay Switch Diagram Led Light Wiring Diagram Rela

Aurore Strosin

Amazon.com: mictuning led light bar wiring harness 30 amp fuse 40a. Light bar relay wiring diagram. Relay wiring diagram ...